( 380 )mm
( 400 )mm
( 406 )mm
( 420 )mm
( 440 )mm
( 500 )mm
( 502 )mm
( 520 )mm
( 540 )mm
( 560 )mm
( 600 )mm
( 620 )mm
( 650 )mm
( 680 )mm
( 700 )mm
( 46 )mm
( 60 )mm
( 65 )mm
( 75 )mm
( 76 )mm
( 82 )mm
( 90 )mm
( 106 )mm
( 118 )mm
( 135 )mm
( 145 )mm
( 148 )mm
( 150 )mm
( 175 )mm
( 200 )mm
( 224 )mm
| PDF Download |
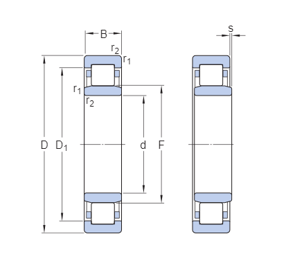
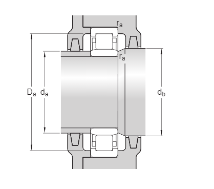
Send Inquiry | Bearing code | Basic size mm | Basic rated load KN | Extreme speed r/min | Installation related dimensions mm | Weight Kg | ||||||||||||||
|---|---|---|---|---|---|---|---|---|---|---|---|---|---|---|---|---|---|---|---|---|---|
| d | D | B | rsmin | r1smin | F | E | Cr | Cor | grease lubrication | oil lubrication | da(min) | da(max) | db(min) | Da(max) | Da(min) | ra(max) | rb(max) | ||||
The Worlds Leading Advanced Technology.
Provide Customers with Suitable Solutions.
Mobile client
WhatApp
Copy Right © RNES Group 沪ICP备2021025875号